|
No Longer In Production. Use Hotline CHLAP for replacement. Hotline EXTAP is a 2-speed Pump, 5.5kW Heater, Air Switching Control All-In-One! Just plumb a 2" pipe "IN" from your Spa to the Pump Intake, and a 2" pipe "OUT" from the Pump Outlet to your Spa! Relax and Enjoy Your Reinvigorated Spa! |
![]() Our heater 5.5kW is 73" long. An industry standard heater is only 39" long. |
Prices include Free Freight*
| 1. Choose your options from the table below. | 2. Verify the model description. |
| 3. Change the quantity (if needed). | 4. Click 'Add to Order' button below the quantity. |
| 5. Click 'View Order' button to check and submit your order. | |
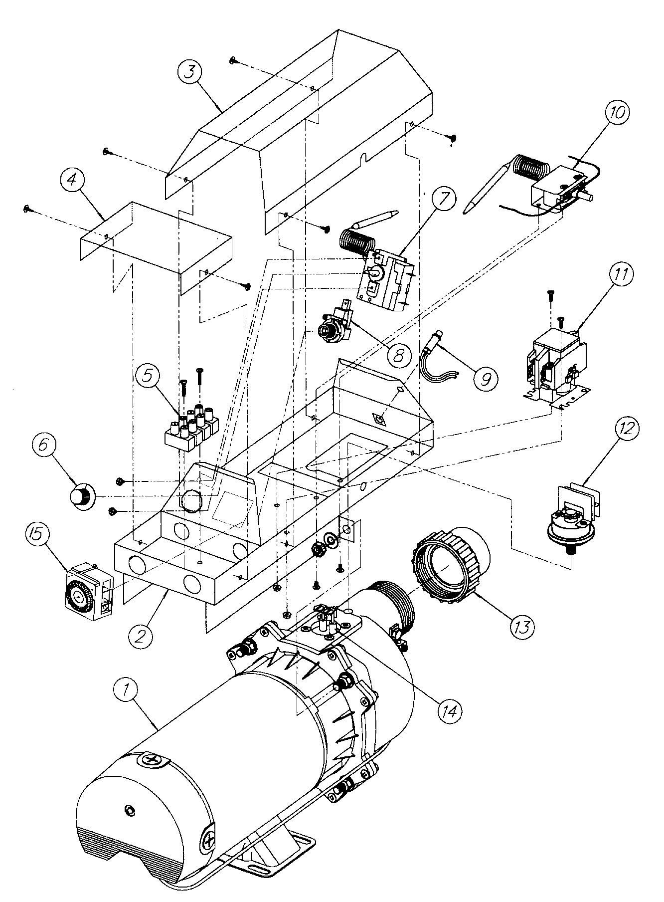
Exploded View & Part List
NOTES:
All electrical work must be performed by a licensed electrician according to National Electrical Code
and all local codes and regulations.
All plumbing work must meet I.A.P.M.O., UL 1563, and all local codes and regulations
and must be performed by a licensed plumbing contractor.
All pump suction must be connected to two drains (VGB certified) in the spa to meet all safety requirements.
All shipments are F.O.B. Riverside, California.
*Free Freight only for Fedex SmartPost. Other forms of shipping incur additional shipping costs.
**Beating competitor's price: We will meet or beat any competitor's written quotation for hardware of the same capability, such as: plumbing size, voltage, motor horsepower, motor 1 or 2-speed, heater length, safety test report, etc.
A $9.95 Handling charge is applied to all orders.
All products sold per our "Terms and Conditions" found in the "Support" section of our menu.
When your order is produced, the pump motor used (A.O. Smith, Regal Beloit, Marathon Electric, etc.)
will be whatever is in stock in our factory at the time.

